Allegati: 1
Re: Utilizzo Reflex digitale
No quelli sono i fori contrapposti a quei 4 che consentono di fissare la flangia che vedi sotto la camera.
Allegato 50673
Più o meno sarà anche lì, ma non mi sembra ci sia nessuna relazione con il sensore, almeno dall'esterno. Se non è espresso in nessun modo ed è importante forse faccio meglio a valutarlo con il calibro non avendo misure certe.
Re: Utilizzo Reflex digitale
Citazione:
Originariamente Scritto da
cesarelia
Se hai usato gli obbiettivi, o hai messo l'oculare da 28, ci credo. Ma prima devi riuscire a farlo funzionare nel modo più semplice, solo camera a nudo appoggiata al telescopio, quando aggiungi altre lenti al treno ottico diventa tutto molto complicato, anche le distanze reciproche
Nessun oculare. Solo l'obiettivo da 25 in dotazione alla camerina.
Stasera ti faccio qualche immagine, dai.
Re: Utilizzo Reflex digitale
Non serve che mi fai vedere le prove con la camerina dotata del suo obbiettivo, in astrofotografia planetaria si spera che non dovrai usarlo.
Piuttosto fai qualche prova come ti ho detto, anche mentre è ancora giorno, collegando la camera con il sensore a nudo direttamente al focheggiatore.
Allegati: 1
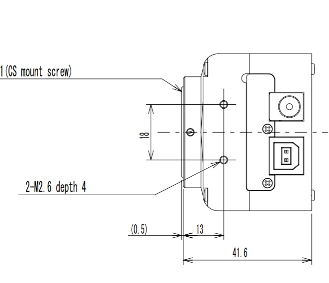
Re: Utilizzo Reflex digitale
Citazione:
Originariamente Scritto da
Enea Ferriani
sono i fori contrapposti a quei 4 che consentono di fissare la flangia che vedi sotto la camera.
Io mi riferivo alla visione dall'alto. Comunque se non è 13 sarà 20, ma di certo non 40...
Allegato 50674
Allegati: 1
Re: Utilizzo Reflex digitale
No, la puoi inserire nel focheggiatore con l'opportuno raccordo.
Così
Allegato 50675
E usarla come un CCD/CMOS. Ma ripeto: solo deep su montatura equatoriale (e possibilmente guidata), perchè la dimensione dei pixel e la scarsa capacità di generare video ad elevati fps la rendono inadatta alle riprese planetarie.
In alternativa puoi montare una reflex coi suoi obbiettivi su una montatura equatoriale (o un astroinseguitore) ed evitare l'uso del telescopio a prescindere, per fare campi larghi.
Re: Utilizzo Reflex digitale
@faggio79 ma se leggi le specifiche riesce ad arrivare a 60fps. Non è tanto ma non fa proprio schifo.
Piuttosto i pixel sono troppo grandi per i pianeti, arrivano a ben 7 micron, ma forse varrebbe la pena provare a sperimentare un po' in qualche ripresa lunare.
Re: Utilizzo Reflex digitale
Chiedo venia, ho fatto casino col browser e ho risposto a un post di due pagine prima senza aver letto i successivi :sad:
Interessante quella camera industriale. Tra l'altro riprendendo con metà sensore arrivi a oltre 100fps.
I 7 micron si aggirano con una barlow 5x e la regola del 5 è almeno avvicinata... :cool:
Quello che mi preoccupa un po' è se e come venga digerita da Windows 10 e dai software di ripresa...
Allegati: 5
Re: Utilizzo Reflex digitale
Citazione:
Originariamente Scritto da
cesarelia
...Piuttosto fai qualche prova come ti ho detto, anche mentre è ancora giorno, collegando la camera con il sensore a nudo direttamente al focheggiatore.
Vedo con piacere che vi intriga l'argomento. Anche me, credetemi. Dovrò imparare il SharpCap. Trovo video corsi o guide on-line, magari anche in italiano?
Fatto qualche prova sul calar del sole, cielo nuvoloso e nemmeno un pianetino piccino piccino. Luna nemmeno a parlarne, allora ho preso un albero a un centinaio di metri ed una antenna TV idem.
Camera nuda e cruda, senza oculare direttamente collegata al focheggiatore usando come supporto il tubo di lunghezza 20mm.
SharpCap senza impostazioni personalizzate, solo installato e basta, ho solamente ingrandito del 200% la finestra della vista della camera.
Questa l'antenna dal cercatore:
Allegato 50676
e questo il risultato su SharpCap 4.0 fotografato con lo smartphone sul display del PC:
Allegato 50677
Queste le condizioni meteo:
Allegato 50678
Il dettaglio dal cercatore:
Allegato 50679
E la foto scattata al diaplay:
Allegato 50680
Ho timore per la sensibilità al buio.
Re: Utilizzo Reflex digitale
Inizia a testarla sulla Luna, è un bel faro di sera. La vede di sicuro.
Re: Utilizzo Reflex digitale
Wow non male i primi test!
Per imparare ad usare Sharpcap, puoi consultarne la documentazione; la trovi nel menu del sito ufficiale alla voce Supporto -> Documentazione
https://docs.sharpcap.co.uk/4.0/
Inviato dal mio Redmi 4 utilizzando Tapatalk